1. 安全须知
· 了解产品:在使用该产品之前,请仔细阅读产品手册,了解产品的功能、操作方式以及安全注意事项。
· 遵循使用要求:确保机器在适宜环境中进行使用,避免过高或过低的温度、潮湿环境等。
· 电源安全:操作前确保所有电缆、插头、插座完好无损。遇到异常情况(如短路、过热等)时立即断开电源。
· 定期检查:定期进行维护和检查,确保机器的组件如电机、电源等正常运行,避免因老化或损坏导致的危险。
· 防止误用:确保机器不会用于任何不当、危险或法律禁止的场景。
2. 产品简介
2.1 产品概述
头号玩家官网灵犀X1 PowerFlow R系列执行器包含三款,分别为 PowerFlow R86-3, PowerFlow R86-2, PowerFlow R52。它们通过高度集成一体化的设计,将减速器、电机、电机驱动器进行整合优化,各模块结构紧凑,便于安装拆卸。
其中PowerFlow R86-3和R86-2 电机都采用了经典分数槽配合,选取最优的极槽配合,有效降低了齿槽转矩幅值和转矩波动,在绕组上,采用了集中式绕组,提高了槽满率和转矩密度。减速方式采用行星减速器,PowerFlow R86-3采用了三级减速比(48:1),而PowerFlow R86-2则采用了二级减速比(16:1)。

PowerFlow R86-3执行器

PowerFlow R86-2执行器
PowerFlow R52减速方式也为行星减速器,采用了二级减速比(36:1)

PowerFlow R52执行器
R系列三款执行器都具有很高的承载能力和寿命;同时自研了高集成的驱动方案,双编码器反馈实现闭环控制,使其具备速度环、力矩环、位置环、MIT混合控制;不仅如此,还具备过流、过压欠压、超速、过温等多重保护机制,保证产品稳定可靠运行。
2.2 主要特性
· 低成本QDD关节
· 中空走线*
· 高集成度FOC驱动
· 多圈绝对值编码方案
· 模块化动力配置
*只有PowerFlow R86-3和R86-2采用了中空走线
2.3 产品参数
PowerFlow R系列执行器性能规格表 | |||||
类型 | 参数 | 单位 | PFR86-3 | PFR86-2 | PFR52 |
关节性能参数 | 电机极对数 | / | 14 | 14 | 7 |
工作电压 | V DC | 15~55 | 15~55 | 15~55 | |
额定电压 | V DC | 48 | 48 | 48 | |
额定转速 | rpm | 30 | 70 | 50 | |
额定电流 | Arms | 10.4 | 9.8 | 1.9 | |
额定转矩 | N.m | 60 | 20 | 6 | |
峰值电流 | Arms | 35 | 42 | 6.8 | |
峰值转矩 | N.m | 200 | 80 | 19 | |
峰值转速 | rpm | 85 | 260 | 130 | |
反电动势系数 | Vrms/Krpm | 133.6 | 133.6 | 228.6 | |
转矩系数 | N.m/A | 3.97 | 1.366 | 1.894 | |
| 减速器参数 | 减速比 | / | 48 | 16 | 36 |
减速器背隙 | arcmin | 18 | 12 | 12 | |
| 其他 | 重量 | kg | 1.28 | 0.81 | 0.45 |
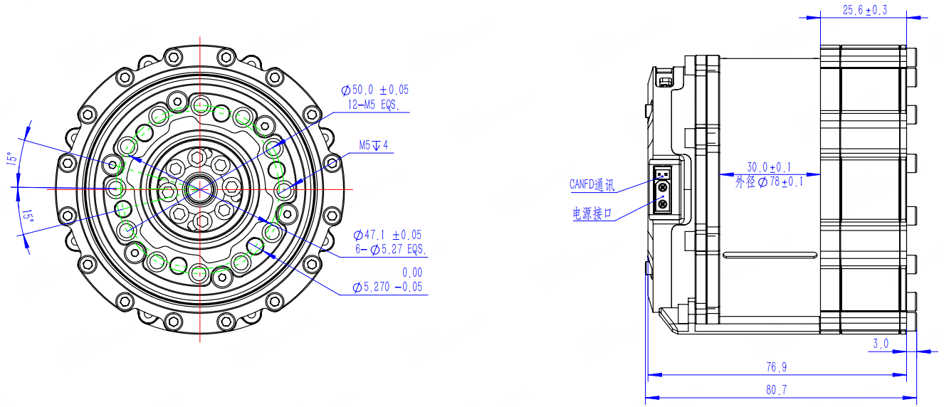
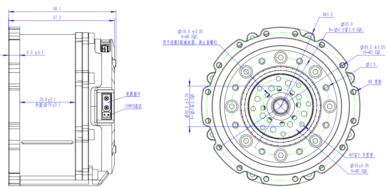
3. 产品尺寸信息
PowerFlow R86-3产品尺寸信息

PowerFlow R86-2产品尺寸信息

PowerFlow R52产品尺寸信息

4. 电气接口互联
R系列三款执行器,电气接口采用归一化设计,三款执行器的接口引脚定义如下,
电源CAN通讯口引脚定义:XT30(2+2)
序号 | PIN定义 | 功能描述 |
1 | PGND | 总电源地 |
2 | DC-BUS | 总电源输入 48V |
3 | CAN_L | CAN总线-低 |
4 | CAN_H | CAN总线-高 |
3PIN烧录口引脚定义:
序号 | PIN定义 | 功能描述 |
1 | SWDIO | 烧录数据线 |
2 | SWCLK | 烧录时钟线 |
3 | GND | 电源地 |
5. CMD上位机控制方式
下载上位机软件REF-CLI v1.0.3.exe。
R系列执行器基本操作所需要的命令如下:
ref0 #查看关节固件信息 fw_version=329(v3版本);fw_version=327(v2版本) |
执行器报红灯指南:
ref0.motor.error_code #查询故障代码 |
出于保护使用者,执行器做了电流保护功能,输出力矩会受到影响,如需放开限制,请输入以下代码操作:
ref0.motor.config.current_limit=70 #修改线电流限制 86-2/3的阈值是70A,52-2的阈值是12A |
6. 通信接口及协议
PowerFlow R系列执行器支持 CANFD 通信方式,仲裁域波特率 1M,采样点80%,数据域波特率5M,采样点75%。
6.1 使能 / 失能
执行器在控制之前需要先使能,控制协议如下:
MSG ID | DLC | D0 | D1 |
can_node_id | 2 | Cmd | State |
can_node_id: 执行器的节点ID,可通过上位机进行修改
Cmd: 0x01
State: 目标状态,00 失能,01 使能
发送后可根据 6.1.3上行状态中的 "State" 字段来判断是否使能成功。
6.2 MIT模式控制
使用MIT模式前,需要根据上位机将执行器的控制模式切换至 "6 MIT模式",该模式可以保存,上电后自动切换。
MIT模式控制目前只支持在广播模式下运行,广播模式说明如下:
MSG ID | DLC | D0 - D7 | D8 - D15 | D16 - D23 | D24 - D31 | D32 - D39 | D40 - D47 | D48 - D55 | D56 - D63 |
0 | 64 | id 1 | id 2 | id 3 | id 4 | id 5 | id 6 | id 7 | id 8 |
广播模式下,报文ID固定为0,数据域长度为64。
每个节点根据其ID选用数据域中的8个字节,例如 ID为2的执行器取用的数据段为 D8 - D15。
注:由于数据长度有限,该模式下每条总线最多串联8个节点,ID设置的范围为 1 - 8 。
每个执行器取用广播帧中的8个字节,定义如下:
D0 | D1 | D2 | D3 | D4 | D5 | D6 | D7 |
Pos [15:8] | Pos [7:0] | Vel [11:4] | Vel [3:0] 4bit H Kp [11:8] 4bit L | Kp [7:0] | Kd[11:4] | Kd[3:0] 4bit H tor[11:8] 4bit L | tor[7:0] |
该模式下,所有的目标参数都有设定的限制范围,在上位机中可以使用如下命令进行查看:
ref0.motor.config.mit_params // 打印所有MIT模式参数 |
默认情况下,出厂设置为:
型号 | Pos Max (rad) | Vel (rad/s) | Tor (Nm) | Kp | Kd |
R86 - 3 | -6.28 ~ 6.28 | -12.56 ~ 12.56 | -100 ~ 100 | 0 ~ 500 | 0 ~ 8 |
R86 - 2 | -6.28 ~ 6.28 | -12.56 ~ 12.56 | -100 ~ 100 | 0 ~ 500 | 0 ~ 8 |
R52 | -6.28 ~ 6.28 | -12.56 ~ 12.56 | -50 ~ 50 | 0 ~ 500 | 0 ~ 8 |
在下发控制报文时,需要把目标值的浮点数转为整形填入报文,参考转换方法如下,需要传入范围值与目标值,以及数据占用的位数
int MitFloatToUint(float x, float x_min, float x_max, int bits) { |
例如,目标位置值的转换,需要按照如下方法调用,然后将转换完成的目标值填入报文对应的字段即可。
int pos_cmd = MitFloatToUint(target_pos, -6.28, 6.28, 16); |
6.3 上行状态
每当执行器收到一帧数据并成功解析后,会上报一帧状态数据,具体定义如下所示:
MSG ID | DLC | D0 | D1 | D2 | D3 | D4 | D5 | D6 | D7 |
can_node_id | 8 | Pos [15:8] | Pos [7:0] | Vel [11:4] | Vel [3:0] 4bit H Cur [11:8] 4bit L | Cur [7:0] | Error Code 4bit H State 3bit Heartbeat 1bit L | Reserved | |
• MSG ID: 执行器的节点ID,在上位机中对应 ref0.can_node_id
• State: 执行器当前的状态,00 为失能,01 为使能
• Hearbeat:心跳数据包,每次发送数据都会取反一次
• ErrorCode: 错误码,对应下方表格数据取 log2
错误码 | 错误描述 |
0 | 无错误 |
0x0001 | 控制模式无效 |
0x0002 | 过压 |
0x0004 | 欠压 |
0x0008 | 过速 |
0x0010 | 过温 |
0x0020 | 过流 |
0x0040 | 相电阻超出范围 |
0x0080 | 相电感超出范围 |
0x0100 | 极对数超出范围 |
0x0200 | 未校准 |
上报的状态数据中包含扭矩速度位置等信息,需要参考以下方法将整形数据从报文中取出,并转成浮点值,使用方法和数据范围参考6.2小节。
float MitUintToFloat(int x_int, float x_min, float x_max, int bits) { |
7. 其他
本手册基于 PowerFlow R86-3 硬件 Ver3.0/Ver1.3, PowerFlow R86-2 硬件 Ver3.0/Ver1.3, PowerFlow R52 硬件 Ver3.0/Ver1.3,驱动软件版本Ver3.2.7(V1.3硬件)以及Ver3.2.9(V3.0硬件)编写。
其他产品手册中未注明事项,请查阅头号玩家官网官网,或联系头号玩家官网服务人员获取信息。